Tel: +86 -18159244550 Email: jony@jyfire.com.cn
Tel: +86 -18159244550 Email: jony@jyfire.com.cn
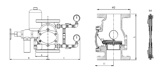
UL FM Fire Alarm Check Valve is a critical supervisory device installed on a fire sprinkler system. It's not one single object, but rather a system component with a specific purpose and certification.
Material :
Ductile ironNormal Diameter :
3inch to 8inchWorking Pressure :
300 psiApplication :
Chemical industry,Aerospace etcValve Standard :
ULMOQ :
10 PiecesDelivery Time :
15~30 DaysEmail : jony@jyfire.com.cn
Product Description

The UL/FM Fire Alarm Check Valve is a critical component in wet pipe fire sprinkler systems, designed to prevent water backflow and trigger a pressure-activated alarm when water flows to suppress a fire. Engineered for reliability and compliance with stringent safety standards, this valve ensures rapid alarm activation while maintaining system integrity.
Features
• UL Listed & FM Approved: Certified to meet NFPA standards for fire protection systems, ensuring global compliance and safety.
• Pressure-Operated Alarm:Automatically activates a mechanical water-motor alarm or electric pressure switch when water flow exceeds a preset rate (typically 4–10 GPM).
• Non-restrictive Design:Minimal pressure loss across the valve.
• Easy Inspection:External bypass test valve for routine testing without system shutdown.
• Cast Iron or Ductile Iron Body:Epoxy-coated for corrosion resistance.
• Stainless Steel Trim:Clapper and seat assembly for longevity.
Product Parameter
| Diameter Size | Pressure Rating | |
| DN80 | 3 Inch | 300 psi |
| DN100 | 4 Inch | 300 psi |
| DN150 | 6 Inch | 300 psi |
| DN200 | 8 Inch | 300 psi |
FAQ
Q:What’s the MOQ for ul alarm check valve?
A:For standard sizes, our MOQ is usually 10 units. For large sizes or special requirements, the MOQ can be one unit. We are always willing to provide customers with flexible solutions.
Q:Can OEM services be provided? For example, putting on our brand Logo?
A:Of course! As a factory, we warmly welcome OEM/ODM cooperation.
Q:What is your payment terms?
A:Payment supports T/T, L/C, etc. We also support payment via wechat or Alipay.
Q:What is the delivery time?
A:The production usually takes 15 to 30 days. For large or special orders, it may take 60 days or longer. We will provide you with an accurate production plan after placing your order.
Q:Why choose us?
A:With over 20 years of experience in the fire protection industry, our company has professional technical personnel and many well-known partners in the domestic market. We offer favorable prices and guarantee quality, having passed multiple certifications!
Contact us
Act now—stop fire risks at the source!
JINYUAN TECHNOLOGY DEVELOPMENT CO.,LTD
Tel.:86-18159244550 Mobil:18159244550
EMAIL:Jony@jyfire.com.cn
ADD:CHENGGONG TECHNOLOGY ZONE PHASE 3,XIMEI TOWN,NAN'AN QUANZHOU CITY
Hot Tags :
leave a message
Scan To Wechat :
Scan To WhatsApp :