Tel: +86 -18159244550 Email: jony@jyfire.com.cn
Tel: +86 -18159244550 Email: jony@jyfire.com.cn
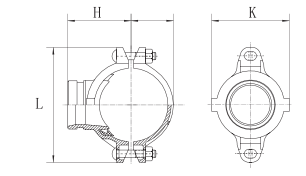
Threaded Mechanical Tee has the same function as grooved mechanical tee. Both are mechanical pipe fittings used to make holes and branches on existing pipes.
Material :
Ductile IronNormal Diameter :
DN50 to DN125Working Pressure :
300 PSICertificate :
UL,FMApplication :
Exhaust valves, drain valves, etcMOQ :
200 PiecesDelivery Time :
15~45 DaysEmail : jony@jyfire.com.cn
Product Introduction

Its working principle is exactly the same as that of the grooved type:
Drill a hole that meets the specifications on the main pipeline. Wrap the two-half threaded mechanical tee around the main pipeline, fasten it with bolts, and rely on the special gasket inside to achieve sealing at the opening of the main pipeline. Screw the branch pipe (or threaded pipe fitting) into the threaded port of the branch outlet and use PTFE tape or sealant to ensure a threaded seal.
Product Features
1. Direct connection to threaded equipment: It can be directly screwed onto valves, instruments, etc.
2. No grooving processing required: No grooves need to be rolled at the end of the branch pipe.
3. Suitable for small pipe diameters: It is more convenient to apply on small-sized branches (such as 1/2", 3/4").
Product Parameter
| Norminal Size | Pipe O.D(mm) | Working Pressure | Bolt Size | Hole Dia |
| 2" x 1" | 60.3 x 33.7 | 300 PSI / 2.07 Mpa | M10 X 55 | 38mm / 1.5inch |
| 2" x 1-1/4" | 60.3 x 42.4 | M10 X 55 | 51mm / 2inch | |
| 2" x 1-1/2" | 60.3 x 48.3 | M10 X 55 | 51mm / 2inch | |
| 2-1/2" x 1" | 73.0 x 33.7 | M10 X 60 | 38mm / 1.5inch | |
| 2-1/2" x 1-1/4" | 73.0 x 42.4 | M10 X 60 | 51mm / 2inch | |
| 2-1/2" x 1-1/2" | 73.0 x 48.3 | M10 X 60 | 51mm / 2inch | |
| 3" x 1" | 88.9 x 33.7 | M12 X 65 | 38mm / 1.5inch | |
| 3" x 1-1/4" | 88.9 x 42.4 | M12 X 65 | 51mm / 2inch | |
| 3" x 1-1/2" | 88.9 x 48.3 | M12 X 65 | 51mm / 2inch | |
| 3" x 2" | 88.9 x 60.3 | M12 X 65 | 64mm / 2.5inch | |
| 4" x 1" | 114.3 x 33.7 | M12 X 75 | 38mm / 1.5inch | |
| 4" x 1-1/4" | 114.3 x 42.4 | M12 X 75 | 51mm / 2inch | |
| 4" x 1-1/2" | 114.3 x 48.3 | M12 X 75 | 51mm / 2inch | |
| 4" x 2" | 114.3 x 60.3 | M12 X 75 | 64mm / 2.5inch | |
| 4" x 2-1/2" | 114.3 x 73 | M12 X 75 | 70mm / 2.75inch | |
| 4" x 3" | 114.3 x 88.9 | M12 X 75 | 89mm / 3.5inch | |
| 5" x 1" | 141.3 x 33.7 | M16 X 80 | 38mm / 1.5inch |
FAQ
Q:What’s the MOQ for Threaded Mechanical Tee?
A:For standard sizes, our MOQ is usually 200 pieces. For large sizes or special requirements, the MOQ can be one unit. We are always willing to provide customers with flexible solutions.
Q:What is your payment terms?
A:Payment supports T/T, L/C, etc. We also support payment via wechat or Alipay.
Q:What is the delivery time?
A:The production usually takes 15 to 45 days. For large or special orders, it may take 60 days or longer. We will provide you with an accurate production plan after placing your order.
Contact Us
One Stop Solution for fire hoses,sprinklers,nozzles,valves and pipe fittings!
JINYUAN TECHNOLOGY DEVELOPMENT CO.,LTD
Tel.:86-18159244550 Mobil:18159244550
EMAIL:Jony@jyfire.com.cn
ADD:CHENGGONG TECHNOLOGY ZONE PHASE 3,XIMEI TOWN,NAN'AN QUANZHOU CITY
Hot Tags :
leave a message
Scan To Wechat :
Scan To WhatsApp :